MASW-011060是公共阳极配置的高功率PIN二极管SP2T开关,工作频率为0.5至6.0 GHz。它具有低插入损耗和出色的线性度。该设备能够在85ºC的基板温度下处理100瓦CW的入射功率。这种高功率开关非常适合用于宽带、MIL-COM、IED和需要更高CW和脉冲功率操作的蜂窝应用。

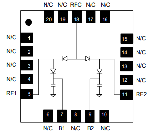
MASW-011060采用MACOM的混合制造工艺制造,其特点是高压PIN二极管和无源器件集成在4mm HQFN 20引线塑料封装中。
特征
•适用于大信号宽带应用
•功率处理:100 W@85°C
•插入损耗:4 GHz时为0.5 dB
•隔离度:4 GHz时为35 dB
•无铅4mm HQFN-20LD封装
•符合RoHS标准
应用
• ISM / MM