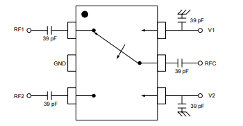
MACOM的MASWSS0167是一款GaAs pHEMT MMIC单极双掷(SPDT)开关,采用无铅1.2 x 1.5 mm 6引脚PQFN封装。MASWSS0167非常适合需要低控制电压、低插入损耗、适度隔离、小尺寸和低成本的应用。

典型的应用是用于将单独的接收功能连接到公共天线的无线LAN系统中的滤波器和天线切换,以及其他手机和通用切换应用。MASWSS0167是使用0.5微米栅极长度的GaAs pHEMT工艺制造的。该工艺具有完全钝化的性能和可靠性。
特征
低压操作:2.5V
低插入损耗:0.3 dB@1 GHz
隔离度:2.4 GHz时为34 dB
0.5 微米GaAs pHEMT工艺
无铅1.2 x 1.5毫米6导联PQFN封装
无卤素“绿色”模塑料
符合RoHS标准*和260°C回流兼容