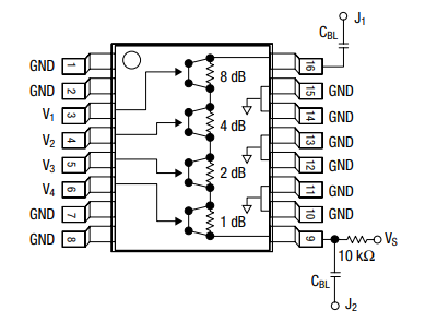
AA226-87是一款4位单正控GaAs IC FET数字衰减器。它需要隔直电容器、正电源电压(VS)和四个单独的正位控制电压(V1-V4)。AA226-87特别适用于需要高衰减精度、低插入损耗和低互调产物的场合。典型应用包括基站、无线数据和无线本地环路增益控制电路。
特征
● 衰减1 dB,高精度达到15 dB
● 每个位有一个正控制(3-5V)
● 低直流功耗
● 小型低成本TSSOP-16塑料包装
● 根据JEDEC J-STD-020,在260°C下提供无铅(Pb)和符合RoHS标准的MSL-1
引脚配置图
