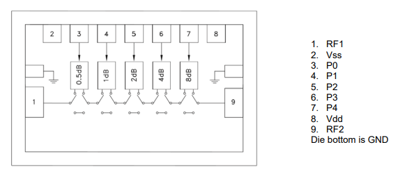
ADH941S 是一款宽带 5 位 GaAs IC 数字衰减器,以裸片形式提供,附带 K 级元件评估。覆盖 0.1 到 30.0 GHz,在 30.0 GHz 时插入损耗小于 4.4 dB 典型值。衰减器位值为 0.5 (LSB)、1、2、4、8,总衰减为 15.5 dB。IIP3 为 +45 dBm 时,衰减精度非常好,典型步进误差小于 ±0.5 dB。
ADH941S 需要双电源电压 Vdd = +5 V 和 Vss = -5V,以及五个控制电压输入,在 +5V 和 0V 之间切换以选择每个衰减状态。
特征
• 0.5 dB LSB 步进为 15.5 dB
• 每位单一正向控制线
• 插入损耗:30 GHz 时为 4.4 dB(典型值)
• 出色衰减精度
应用
• 军用&航空航天
• 收发器
• 测试设备 & 传感器
