MAX2871 可通过 3 线 SPI(CLK、DATA、LE)完成写操作,见图 1;

读操作时,除上述 3 脚外,再借助 MUX 脚读取寄存器 0x06,见图 2。

芯片内部共 6 个“仅写”32 位寄存器和 1 个“只读”32 位寄存器。每帧 32 位:高 29 位为数据,最低 3 位为寄存器地址。数据 MSB 在前,经 4 线 SPI 载入。
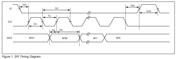
时序:
LE = 0 期间,DATA 电平在 CLK 上升沿移入移位寄存器;
LE 上升沿,29 位数据被锁存到地址指定的寄存器。
上电后必须完整写一遍所有寄存器,且建议连续写两次,两次之间至少间隔 20 ms:
第一次写确保芯片使能;
第二次写启动 VCO 自动选择过程。
建议在上述过程中先关闭输出,完成后再通过 RFA_EN、RFB_EN 开启输出。
“干净时钟”上电配置顺序(推荐)
写寄存器 5(地址 0x05),等待 20 ms
写寄存器 4(地址 0x04),bit5 和 bit8 置 0,保持 RFOUT 关闭
写寄存器 3(地址 0x03)
写寄存器 2(地址 0x02)
写寄存器 1(地址 0x01)
写寄存器 0(地址 0x00)
再次写寄存器 5(地址 0x05)
如需开启 RFOUT:
在寄存器 4(地址 0x04)里把 bit5 和 bit8 置 1 即可。
寄存器写入顺序必须为:
0x05 → 0x04 → 0x03 → 0x02 → 0x01 → 0x00
其中若干位采用“双缓冲”结构,只有按上述顺序完成写操作后,所有设置才会在同一时刻生效,详见各寄存器描述。
如有型号采购及选型需求,可直接联系兆亿微波电子元件商城。