HMC792ALP4E 是一款宽带 6 位 GaAs 数字衰减器芯片,采用低成本无引脚 SMT 封装。我们可以通过以下三个方面了解一下该芯片信息。
首先需要了解:什么是HMC792ALP4E数字衰减器芯片?
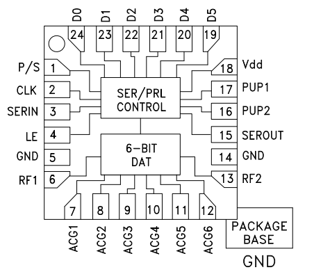
HMC792ALP4E 内置片外交流接地电容,可支持近直流工作,因而适用于各种 RF 与 IF 应用。双模式控制接口兼容 CMOS/TTL,既可接受三线串行输入,也可接受 6 位并行字。还提供用户可选的上电初始状态,并带串行输出端口,便于级联其它 Hittite 串行控制器件。芯片采用符合 RoHS 标准的 4 mm × 4 mm QFN 无引脚封装,无需外部匹配元件。
其次需要了解:该芯片具备哪些特征信息?
0.25 dB LSB阶跃至15.75 dB
通电状态选择
高输入IP3:+53dBm
低插入损耗:1.8 dB@2.0 GHz
TTL/CMOS兼容,串行,并行
或闭锁式并联控制
±0.1 dB典型阶跃误差
单路+3V或+5V电源
24引脚4x4mm SMT封装:16mm²
最后需要了解:常用于哪些应用领域?
蜂窝/3G基础设施
WiBro/WiMAX/4G
微波无线电和甚小孔径终端
测试设备和传感器
中频和射频应用
通过上述三个方面我们可以了解到HMC792ALP4E数字衰减器芯片的基础信息,如有型号采购及选型需求,可直接联系兆亿微波电子元件商城。
HMC792ALP4E数字衰减器功能图
