信号流
ADN8834 集成了两个自动归零放大器,分别定义为 Chopper 1 放大器和 Chopper 2 放大器。两个放大器都可以作为独立放大器使用,因此温度控制的实现方式可以有所不同。

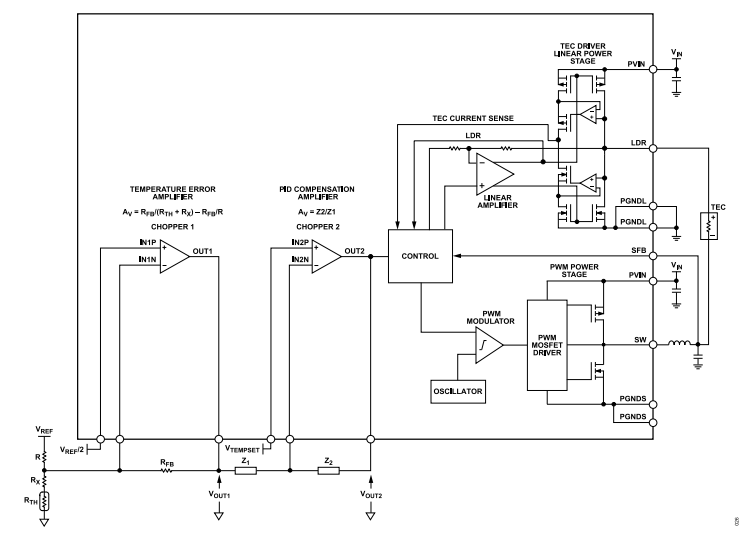
下图 展示了 ADN8834 的信号流,以及使用 Chopper 1 放大器和 Chopper 2 放大器实现温度控制环路的典型方案。
在上图 中,Chopper 1 和 Chopper 2 放大器分别配置为:
Chopper 1:热敏电阻输入放大器
Chopper 2:PID 补偿放大器
工作流程如下:
| 步骤 | 功能 |
| 1 | 热敏电阻输入放大器放大热敏电阻电压 |
| 2 | 输出至 PID 补偿放大器 |
| 3 | PID 补偿放大器在频域上补偿环路响应 |
补偿环路在 OUT2 的输出被馈送至线性 MOSFET 栅极驱动器。LDR 端的电压与 OUT2 一起被馈送至 PWM MOSFET 栅极驱动器。
包括内部晶体管在内,差分输出部分的增益固定为 5。