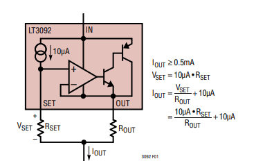
将 LT3092 设置为两端电流源是一件简单的事情。来自 SET 引脚的 10 µA 参考电流与一个电阻配合使用,产生一个小电压,通常在 100 mV 至 1 V 范围内(200 mV 是一个有助于抑制失调电压、线性调整率和其他误差的电平,而不会过大)。
然后将该电压施加到第二个电阻上,该电阻连接从 OUT 到第一个电阻。下图显示了连接方式和计算基本电流源配置的公式。

使用 10 µA 电流源产生参考电压来设置输出电流时,进出 SET 引脚的泄漏路径可能会在参考电流和输出电流中产生误差。
应使用高质量绝缘材料(例如 Teflon、Kel-F)。可能需要清洁所有绝缘表面以去除助焊剂和其他残留物。在高湿度环境中,可能需要表面涂层来提供防潮屏障。
通过用保护环包围 SET 引脚和相关电路来最小化电路板泄漏,保护环的工作电位应接近其自身电位;将保护环连接到 OUT 引脚。需要保护电路板的两侧。体泄漏减少取决于保护环宽度。
进出 SET 引脚及其相关电路的 10 nA 泄漏会产生 0.1% 的参考电流误差。这种幅度的泄漏,加上其他泄漏源,可能导致显著的失调电压和参考电流漂移,尤其是在可能的工作温度范围内。