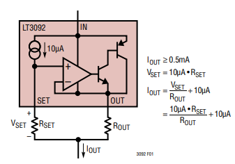
选择 RSET 和 ROUT

在上图中,两个电阻 RSET 和 ROUT 共同决定输出电流的值。现在问题来了:虽然知道这两个电阻的比值,但每个电阻应该取什么值呢?
首先选择 RSET。所选值应产生足够的电压,以最小化 SET 和 OUT 引脚之间失调引起的误差。
一个合理的起始电平是 RSET 两端 200 mV 的电压(RSET 等于 20 kΩ)。由此产生的失调电压误差为百分之几。RSET 两端的电压越低,由失调引起的误差项就越大。
从这一点出发,选择 ROUT 很容易,因为它是从 RSET 进行的直接计算。然而,需要注意的是,电阻误差也必须考虑在内。
虽然 RSET 两端较大的电压降可以最小化失调引起的误差,但它们也会增加所需的工作裕量(headroom)。
获得最佳温度系数并不需要使用昂贵的低 ppm 温度系数电阻。相反,由于 LT3092 的输出电流由 RSET 与 ROUT 的比值决定,这些电阻应具有匹配的温度特性。由相同材料制成的较便宜的电阻将提供匹配的温度系数。