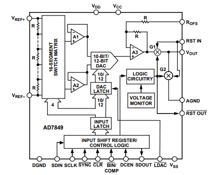
AD7849是一款14/16位串行输入乘法DAC数模转换器。该DAC架构可确保拥有出色的微分线性性能;在额定温度范围内,A级产品可保证14位单调性,所有其它等级产品可保证16位单调性。在上电与关断期间(当电源电压变化不定时),VOUT引脚通过一个低阻抗路径箝位在0 V。为避免此时A3的输出短路变为0 V,传输门G1也会打开。这种状况会一直持续到电源稳定下来并向DAC寄存器写入一个有效字,此时G2打开,G1闭合。通过复位输入(RST IN)控制输入,也可以从外部对两个传输门进行控制。例如,如果RST IN输入采用电池监控器芯片驱动,则在关断或掉电时,RST IN输入将变为低电平以开启G1并闭合G2。要重新使能输出,必须重新加载DAC,使RST IN变为高电平。相反地,用户也可以利用片内电压检测器输出(RST OUT)来控制系统的其它部分。
AD7849具有一个多功能串行接口结构,可以通过三条线路进行控制,以便于光隔离器应用。

SDOUT是片内移位寄存器的输出,能够以菊花链形式使用,对多通道系统中的器件进行编程。此功能由DCEN(菊花链使能)输入控制。
BIN/COMP引脚设置DAC编码方式。当BIN/COMP设置为0时,编码方式为标准二进制;设置为1时,编码方式为二进制补码。这样,在单极性和双极性两种输出范围中,用户均可以将DAC复位为0 V。
该器件提供20引脚DIP和20引脚SOIC两种封装。因此常常被应用于工业过程控制、PC模拟I/O板以及仪器仪表中。