AD8231放大器架构
AD8231 基于经典的 三运放拓扑结构。该拓扑有两个级:
第一级:前置放大器,提供放大
第二级:差分放大器,消除共模电压
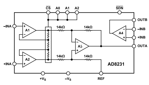
下图显示了 AD8231 的简化原理图。

前置级由放大器 A1、放大器 A2 和数控电阻网络组成。第二级是由放大器 A3 和四个 14 kΩ 电阻组成的增益为 1 的差分放大器。
A1、A2 和 A3 均为零漂移、轨到轨输入、轨到轨输出放大器。
AD8231 的设计使其在温度范围内极其稳定。
AD8231 使用内部薄膜电阻来设置增益。由于所有电阻都在同一芯片上,增益温度漂移性能和 CMRR 漂移性能优于使用外部电阻的拓扑所能达到的性能。
AD8231 还使用自动归零拓扑来消除其所有内部放大器的失调。由于该拓扑持续校正任何失调误差,失调温度漂移几乎不存在。
AD8231 还包括一个自由运算放大器。与 AD8231 中的其他放大器一样,它也是零漂移、轨到轨输入、轨到轨输出架构。