AD620 是亚德诺半导体(ADI)生产的经典低功耗仪表放大器,广泛应用于传感器信号调理、医疗电子设备等领域。这段话展示了其在压力传感器和心电图监测中的典型应用,强调了低噪声、低功耗、小尺寸等关键优势。
压力测量
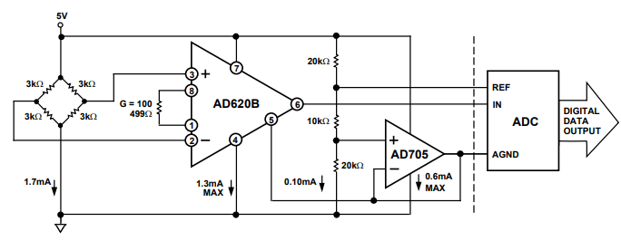
虽然 AD620 在许多桥式应用(如称重秤)中很有用,但它特别适合于由较低电压供电的高阻抗压力传感器,其中小尺寸和低功耗变得更加重要。

上图显示了一个由 5V 供电的 3kΩ 压力传感器桥。在这种电路中,该电桥仅消耗 1.7mA。添加 AD620 和缓冲分压器后,信号调理的总电源电流仅为 3.8mA。
小尺寸和低成本使 AD620 对电压输出压力传感器特别有吸引力。由于它具有低噪声和低漂移,它也适用于诊断性无创血压测量等应用。
医疗心电图(ECG)
AD620 的低电流噪声使其可用于心电图监测仪(如下图),其中 1MΩ 或更高的高源阻抗并不罕见。AD620 的低功耗、低电源电压要求以及节省空间的 8 引脚 mini-DIP 和 SOIC 封装,使其成为电池供电数据记录器的绝佳选择。

此外,AD620 的低偏置电流和低电流噪声,加上其低电压噪声,改善了动态范围以获得更好的性能。
电容 C1 的值被选择用于维持右腿驱动环路的稳定性。必须为此电路添加适当的保护措施(如隔离),以保护患者免受可能的伤害。