工作原理
AD817 是一款低成本、宽带宽、高性能的运算放大器电子元件,能够有效驱动重容性或阻性负载。它还在整个指定温度范围内提供恒定的压摆率、带宽和建立时间。
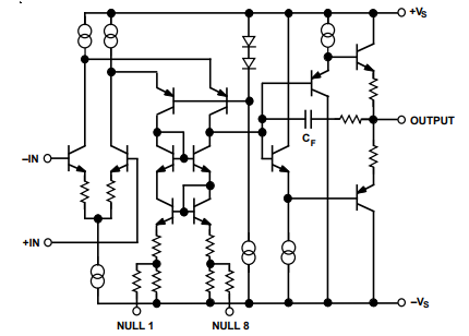
AD817由一个退化的 NPN 差分对驱动匹配的 PNP 管构成折叠式共源共栅增益级。输出缓冲级采用 AB 类射极跟随器结构,在保持低失真水平的同时,为负载提供所需电流。

简化示意图
输出级中的电容 CF 可缓解容性负载的影响。在低频且容性负载较小时,从补偿节点到输出的增益非常接近 unity(单位增益)。此时,CF 被自举,不参与器件的整体补偿电容。随着容性负载增加,会在输出阻抗与 CF 之间形成一个极点,从而降低增益,导致 CF 无法完全自举。实际上,CF 的一部分会贡献于整体补偿电容,从而降低单位增益带宽。当负载电容进一步增大时,带宽持续下降,但放大器仍保持稳定。
输入注意事项
在输入端可能承受瞬态或连续过载电压(超过 ±6 V 最大差分限值)的电路中,必须使用输入保护电阻 RIN(见下图)。该电阻通过限制输入晶体管的最大基极电流,为其提供保护。

对于高性能电路,建议使用“平衡”电阻来减小因偏置电流流经输入电阻和反馈电阻而引起的失调误差。该平衡电阻等于 RIN 与 RF 的并联组合,从而在每个输入端提供匹配的阻抗。如此可将失调电压误差降低一个数量级以上。