TPS551892-Q1 是一款同步升降压转换器电子元件,经过优化,可将电池电压或适配器电压转换为电源轨。该器件集成了四个 MOSFET 开关,为多种应用提供紧凑的解决方案。TPS551892-Q1 最高支持 27V 输入电压能力。在升压模式下工作时,它可从 12V 输入提供高达 60W 功率,也可从 9V 输入提供 45W 功率。
TPS551892-Q1 采用平均电流模式控制架构。其开关频率可通过外部电阻在 200kHz 至 2.2MHz 范围内编程设定,并可与外部时钟同步。此外,该器件还提供可选的扩频功能,以最小化峰值电磁干扰(EMI)。
TPS551892-Q1 提供输出过压保护、平均电感电流限制、逐周期限流及输出短路保护。同时,它还确保在持续过载条件下安全运行,具备可选的输出电流限制和“打嗝”模式(hiccup-mode)保护。
由于工作频率高,TPS551892-Q1 可使用小型电感和电容。它采用 3.0mm × 5.0mm QFN 封装。

特性
AEC-Q100 认证:
器件温度等级 1:环境温度工作范围 –40°C 至 +125°C
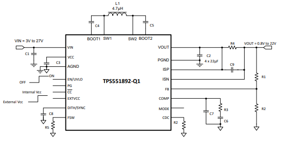
宽输入与输出电压范围:
宽输入电压范围:3.0V 至 27V(绝对最大值 42V)
可编程输出电压范围:0.8V 至 22V
±1% 参考电压精度
可调输出电压补偿,用于抵消线缆压降
±5% 精确输出电流监测
全负载范围内高效率:
在 VIN = 12V、VOUT = 20V、IOUT ≈ 3A 条件下效率达 96%
轻载时支持可编程 PFM 和 FPWM 模式
避免频率干扰与串扰:
可选时钟同步
可编程开关频率:200kHz 至 2.2MHz
EMI 抑制:
可选可编程扩频功能
无引脚封装(Lead-less package)
丰富保护功能:
输出过压保护
输出短路“打嗝”模式保护
热关断保护
8A 平均电感电流限制
小型化解决方案尺寸:
最高开关频率可达 2.2MHz
3.0mm × 5.0mm HotRod™ QFN 封装
应用领域
高级驾驶辅助系统(ADAS)
无线充电器
汽车信息娱乐系统与仪表盘