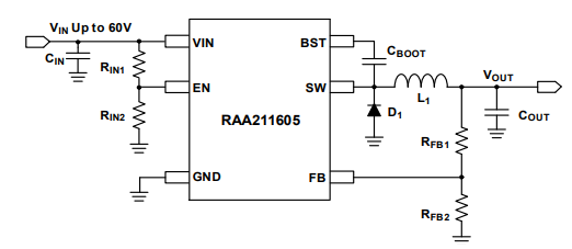
RAA211605 是一款 DC/DC 降压稳压器电子元器件,支持宽工作输入电压范围(4.5V 至 60V)和可调输出电压。 可提供高达 0.5A 的连续输出电流,具有出色的负载调整率和线性调整率性能。

布局建议
将输入陶瓷电容尽可能靠近 IC 的 VIN 引脚和二极管放置。尽量减小电源环路(输入陶瓷电容、IC VIN 引脚和二极管)的尺寸,以最小化由走线寄生电感引起的相位节点电压振铃。这也有助于改善 EMI 性能。
如果使用铝电解电容,请将其尽可能靠近 IC 的 VIN 引脚放置。
保持相位节点的铜箔面积较小以减少寄生电容,但需足够大以承载负载电流。
将输出电容尽可能靠近电感和续流二极管放置。
将功率地(CIN、二极管和 COUT 的地)连接到模拟地平面,该平面再连接至 GND 引脚。采用单点接地方式。
将反馈电阻靠近 FB 和 GND 引脚放置,并远离相位节点。
在 PCB 上使用大面积蚀刻金属区域和地平面。在 IC 下方以及输入和输出电容的地节点周围、输出二极管附近布置接地过孔,以促进更好的散热。