PoE 基础
常见的以太网数据连接由两根或四根铜线(通常称为 CAT-5 电缆)组成,每端通过变压器耦合,以避免地环路。PoE 系统利用这种耦合结构,在数据变压器的中心抽头之间施加电压,从而从 PSE 向 PD 传输电力,同时不影响数据传输。

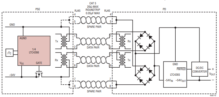
上图显示了一个高层 PoE 系统示意图。
为避免损坏不期望接收直流电压的传统数据设备,PoE 规范定义了一种协议,用于确定 PSE 何时可以施加和移除电力。有效的 PD 必须在其输入端具有特定的 25kΩ 共模电阻。当此类 PD 连接到电缆时,PSE 会检测到该特征电阻并开启电源。当 PD 随后断开连接时,PSE 会感测到开路并关闭电源。在发生过流或短路故障时,PSE 也会关闭电源。
当检测到 PD 后,PSE 可选择查找分类签名,该签名告知 PSE 该 PD 可汲取的最大功率。PSE 可利用此信息在多个端口间分配电力、监控 PD 的电流消耗,或拒绝那些所需功率超过 PSE 可用功率的 PD。分类步骤是可选的;如果 PSE 选择不分类 PD,则必须假设该 PD 是一个 13W(完整 802.3af 功率)设备。