HMC860LP3E 是一款 BiCMOS 超低噪声四路输出稳压器。它采用外部去耦的低噪声带隙基准源,以实现最佳片内噪声性能。
输出电压调节
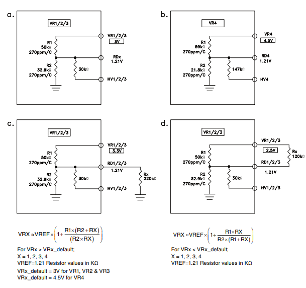
有多种方法可用于调节该电子元器件每路稳压器的输出电压。
对于任意一路输出,若需设置为 5V,只需将对应的 HVx(x=1,2,3,4)引脚接地即可。
如需其他电压值,则需外接电阻:
若希望输出电压高于默认值,请在 RDx 与 GND 之间连接一个外部电阻;
若希望输出电压低于默认值,请在 VRx 与 RDx 之间连接一个外部电阻。
下图展示了内部电阻分压器的阻值,用于设定默认输出电压:

a. 默认输出为 3V;
b. 默认输出为 4.5V。
同时给出两个不同电压设置的示例:
c. 将默认 3V 输出调整为 3.3V —— 在 RDx 与 GND 之间连接一个 220kΩ 电阻;
d. 将同一输出调整为 2.5V —— 在 VRx 与 RDx 之间连接一个 120kΩ 电阻。
内部电阻具有 +270 ppm/°C 的温度系数(TempCo)。当使用具有不同温度系数的外部电阻来修改默认输出电压时,相应输出的温度特性会与此规格略有差异,但该差异通常非常小。