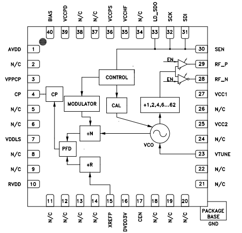
HMC830LP6GE 是一款低噪声、宽带宽的小数-N 锁相环(PLL)电子元件,其内部集成了一个基频为 1500 MHz 至 3000 MHz 的压控振荡器(VCO),以及一个内置 VCO 输出分频器(支持除以 1/2/4/6…60/62)。二者协同工作,使 HMC830LP6GE 能够生成从 25 MHz 至 3000 MHz 的频率。其集成的相位检测器(PD)和 delta-sigma 调制器可工作在高达 100 MHz 的频率下,从而实现更宽的环路带宽与优异的频谱性能。
HMC830LP6GE 在全频段范围内具备相位噪声和无杂散性能,可有效最小化阻塞效应,并提升接收机灵敏度与发射机频谱纯度。其卓越的底噪水平(< -170 dBc/Hz)使其成为多种应用的理想信号源——例如:RF 混频器的本振(LO)、高频数据转换器的时钟源,或超低杂散应用中的可调谐参考源。
HMC830LP6GE 的其他特性包括:
RF 输出功率控制(0 至 9 dB,步长 3 dB)
输出静音(Mute)功能
delta-sigma 调制器“精确频率模式”,可使用户生成零频率误差的输出频率
