Mini-Circuits的LFCG-1325+是一款LTCC低通滤波器,通带从直流到1325 MHz,支持各种无线及移动应用。

简单了解其主要特点及优势
超宽阻带:LTCC低通滤波器在高达11.6 GHz频率范围内提供优异的阻带抑制性能,适用于高端应用。
LTCC结构:采用坚固的陶瓷封装,可在高湿度和极端温度等恶劣环境中提供稳定可重复的性能。
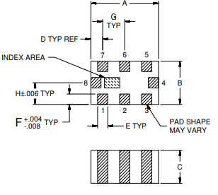
微小尺寸(0.079" × 0.049" × 0.037"):节省高密度电路板布局空间,并最小化寄生效应的影响。
卓越功率处理能力,5.5W:支持广泛的系统功率需求。
环绕式端子:提供出色的可焊性,便于目视检查。
LFCG-1325+功能示意图

典型频率响应图

轮廓图
