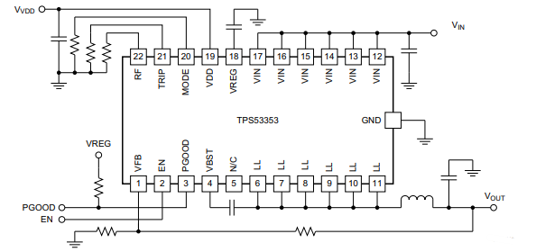
TPS53353 是一款具有集成 MOSFET 的 D-CAP™ 模式、20A 同步降压转换器。它采用 5mm × 6mm、22 引脚 QFN 封装,额定工作温度范围为 –40°C 至 85°C。被设计用于易于使用、低外部组件数量和空间有限的电源系统。

TPS53353特有 5.5mΩ/2.2mΩ 集成 MOSFET,精准1% 0.6V 基准和集成的升压开关。
具有竞争力的特性包括:1.5V 至 15V 的转换输入电压范围、极低外部元件数、针对超快速瞬态响应的 D-CAP™ 模式控制、自动跳跃模式操作、内部软启动控制、可选择频率以及无需补偿。
转换输入电压范围为 1.5V 至 15V,电源电压范围为4.5V 至 25V,输出电压范围为 0.6V 至 5.5V。
那么电子元器件TPS53353都具备哪些特征呢?
具有遥感功能的16V、20A 同步降压转换器
转换输入电压范围:1.5V 至 15V
VDD 输入电压范围:4.5V 至 25V
20A 时,在 12V 至 1.5V 之间效率达到 92%
输出电压范围:0.6V 至 5.5V
5V LDO 输出
支持单轨输入
具有 20A 连续输出电流的集成功率 MOSFET
关断电流 < 10μA
具有快速瞬态响应的 D-CAP™ 模式
可借助外部电阻器在 250kHz 至 1MHz 之间选择开关频率
可选自动跳跃或仅 PWM 工作模式
内置 1% 0.6V 基准电压
0.7ms、1.4ms、2.8ms 和 5.6ms 可选内部电压伺服器软启动
集成升压开关
预充电启动能力
具有热补偿的可调过流限制
过压、欠压、UVLO 和过热保护
支持全陶瓷输出电容器
漏极开路电源正常指示