DRV8251A 是一款 8 引脚电子元器件芯片,用于驱动有刷直流电机,工作电源电压范围为 4.5V 至 48V。两个逻辑输入控制 H 桥驱动器,该驱动器由四个 N 沟道 MOSFET 组成,其典型导通电阻(RDS(on))为 450 mΩ(包含一个高侧和一个低侧 FET)。单一电源输入 VM 同时作为器件的供电电源和电机绕组的偏置电压。集成的电荷泵可提升内部 VM 电压,并完全增强高侧 FET 的驱动能力。电机可通过频率在 0 至 200 kHz 范围内的脉冲宽度调制(PWM)进行控制。当两个输入均被拉低时,器件进入低功耗睡眠模式。
布局指南
由于 DRV8251A 集成了能够驱动大电流的功率 MOSFET,因此在布局设计和外部元件 placement 方面需格外注意。以下是一些设计与布局建议:
VM 至 GND 的旁路电容应选用低等效串联电阻(ESR)的陶瓷电容,推荐使用 X5R 或 X7R 类型。
VM 电源供电电容应尽可能靠近器件放置,以最小化环路电感。
VM 电源的大容量电容可采用陶瓷或电解类型,但也应尽量靠近器件安装,以降低环路电感。
VM、OUT1、OUT2 和 GND 引脚承载从电源到输出端再返回地的大电流。在可行的情况下,这些走线应使用厚铜层布线。
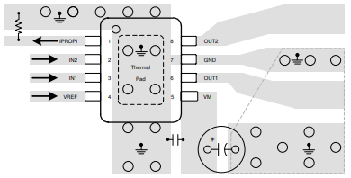
器件的热焊盘应通过热过孔连接至 PCB 顶层接地平面及内层接地平面(如有),以最大化 PCB 散热能力。
封装图纸部分提供了推荐的热焊盘焊盘图形。
为获得最佳散热效果,应最大化与热焊盘相连的铜箔面积。
布局示例图可供参考
