HMC547ALP3E
GaAs MMIC SPDT非反射
开关,直流-20 GHz

定义
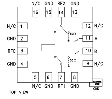
HMC547ALP3E 是一款通用型宽带高隔离度非反射式 GaAs pHEMT SPDT 开关,采用无引脚 QFN 表面贴装塑料封装。工作频率范围从直流(DC)至 20 GHz,该开关提供高隔离度和低插入损耗。其特性包括:在高达 5 GHz 时隔离度 >50 dB,在高达 15 GHz 时隔离度 >40 dB。
该开关通过互补负电压控制逻辑线进行操作,需 -5/0V 控制电压,无需额外偏置电源。HMC547ALP3E 封装于无引脚 QFN 3×3 mm 表面贴装器件中。
具备的特征
高隔离度:在5 GHz以下>50 dB
>40 dB至15 GHz
低插入损耗:10 GHz时为1.8 dB
2.5 dB@20 GHz
快速切换
非反光设计
QFN SMT封装,9mm²
常见应用
•基站基础设施
•光纤和宽带电信
•微波无线电和甚小孔径终端
•军用无线电、雷达和ECM
•测试仪器