嗨,欢迎来到兆亿微波官方商城!
服务热线: 010-62975458  17600099251
购物车图片 购物车 ( )
全部商品分类

KARN-50+同轴负载的定义集特性及常见应用

2026/4/2 13:47:51
浏览次数: 1

KARN-50+是Mini-Circuits的一款同轴负载电子元件。其工作频率最小0MHz,最大8000MHz,50Ω。

KARN-50+同轴负载的定义集特性及常见应用

具备的特性

宽带覆盖,DC至8 GHz

适用于9 GHz(回波损耗,9 GHz时典型值为20 dB

坚固结构

常见应用

蜂窝通信

卫星通信

国防通信

测试设置

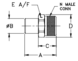
尺寸图

KARN-50+同轴负载的定义集特性及常见应用

KARN-50+同轴负载的定义集特性及常见应用

在线留言询价
推荐阅读
  • 点击次数: 0
    2026-04-02
    TPS3850-Q1汽车窗口监控器定义TPS3850-Q1 将可编程窗口看门狗定时器与高精度电压监控器相结合。TPS3850-Q1 窗口比较器在 SENSE 引脚上可针对过压 (VIT+(OV)) 和欠压 (VIT–(UV)) 阈值实现 0.8% 的精度(–40°C 至 +125°C)。TPS3850-Q1 在两种阈值条件下还可提供高精度迟滞,因此非常适用于容差要求严苛的系统。该监控器的 RESET 延迟可通过经出厂编程的默认延迟设置进行设定,也可以通过外部电容以编程方式设定。出厂编程的 RESET 延迟具备 9.5% 精度、高精度延迟时间。TPS3850-Q1 具备适用于多种应用的可编程窗口看门狗计时器。专用看门狗输出 (WDO) 有助于提高分辨率,从而帮助确定出现故障情况的根本原因。窗口看门狗超时可通过经出厂编程的默认延迟设置进行设定,也可以通过外部电容以编程方式设定。可通过逻辑引脚禁用看门狗,避免在开发过程中出现意外的看门狗超时。TPS3850-Q1 采用小型 3.00mm × 3.00mm、10 引脚 VSON 封装。TPS3850-Q1 具有可湿性侧面,可轻松进行光学检查。具备的特性• 具有符合 AEC-Q100 标准的下列特性:• 器件温度等级 1:-40°C 至 125°C 环境工作温度范围• 器件 HBM ESD 分类等级 2• 器件 CDM ESD 分类等级 C4B• 提供功能安全• 可帮助进行功能安全系统设计的文档• 输入电压范围:VDD = 1.6V 至 6.5V• 0.8% 电压阈值精度(最大值)• 低电源电流:IDD = 10µA(典型值)• 用户可编程看门狗超时• 用户可编程复位延迟• 出厂编程的精密看门狗和复位计时器• 开漏输出• 精密过压和欠压监测:• 支持 0.9V 到 5.0V ...
  • 点击次数: 1
    2026-04-02
    AD203SN专为在恶劣的操作环境中使用而设计和制造。AD203SN也是ADI公司AD200系列低成本、高性能、变压器耦合隔离放大器的组成部分。电路设计、变压器结构、表面贴装元件和装配自动化方面的技术创新带来了一种坚固、经济、军用温度范围隔离器,它保留或改进了AD202/AD204系列的关键性能规格。AD203SN通过使用内部变压器耦合,在隔离放大器的输入和输出级(包括电源)之间提供完全的电流隔离。AD203SN的功能完整设计,由单个+15 V dc电源供电,无需外部dc/dc转换器。这允许设计者最小化必要的电路开销,从而降低整体设计和组件成本。此外,变压器耦合器件的功耗、非线性和漂移特性远优于其他隔离技术,而不会牺牲带宽或噪声性能。最后,AD203SN即使在持续的共模应力下也能保持其高运行性能。AD203SN的设计强调在必须在高CMV条件下测量或传输信号的广泛应用中具有最大的灵活性和易用性。AD203SN具有±10 V输出范围、非专用输入放大器、输出缓冲器、10 kHz全功率带宽和±15 V dc@±5 mA的前端隔离电源。其常见应用为:发动机监测和控制移动多通道数据采集系统仪表和/或控制信号隔离电流分流测量高压仪表放大器
  • 点击次数: 0
    2026-04-02
    nRF24L01是一款单芯片2.4GHz收发器,内置基带协议引擎(Enhanced ShockBurst™),专为超低功耗无线应用而设计。nRF24L01设计用于在2.400-2.4835GHz的全球ISM频段运行。使用nRF24L01设计无线电系统需要一个MCU(微控制器)和很少的外部无源元件。nRF24L01通过串行外围接口(SPI)进行配置和操作。通过此接口,寄存器映射可用。寄存器映射包含nRF24L01中的所有配置寄存器,可在芯片的所有操作模式下访问。嵌入式基带协议引擎(Enhanced ShockBurst™)基于分组通信,支持从手动操作到高级自主协议操作的各种模式。内部FIFO确保无线电前端和系统MCU之间的数据流顺畅。Enhanced Shock Burst™通过处理所有高速链路层操作来降低系统成本。无线电前端使用GFSK调制。它具有用户可配置的参数,如频率信道、输出功率和空中数据速率。nRF24L01支持的空中数据速率可配置为2Mbps。高空气数据速率与两种节能模式相结合,使nRF24L01非常适合超低功耗设计。内部电压调节器可确保高电源抑制比(PSRR)和宽电源范围。常见应用•无线PC外围设备•鼠标、键盘和遥控器•三合一桌面捆绑包•高级媒体中心遥控器•VoIP耳机•游戏控制器•运动手表和传感器•消费电子产品的射频遥控器•家庭和商业自动化•超低功耗传感器网络•有源RFID•资产追踪系统•玩具
  • 点击次数: 1
    2026-04-02
    HCMS-2975是一款由板载CMOS IC驱动的高性能、易于使用的点阵显示器。显示器可以直接与微处理器连接,从而消除了对繁琐接口组件的需求。串行IC接口允许用最少的数据线显示更高的字符数信息。各种颜色、字体高度和字符数为设计师提供了针对其特定应用的广泛产品选择,易于阅读的5 x 7像素格式允许显示大写、小写、片假名和自定义用户定义的字符。该显示器可在x和y方向上堆叠,使其成为高字符数显示器的理想选择。应用电信设备便携式数据输入设备计算机外围设备医疗设备测试设备商业机器航空电子工业控制。具备的特性•易于使用•直接与微处理器接口•4、8和16(2×8)字符包中的字符高度为0.15英寸•4字符和8字符包装中的字符高度为0.20英寸•坚固的X和Y型可堆叠包装•串行输入•方便的亮度控制•可波峰焊•提供五种颜色•低功耗CMOS技术•TTL兼容常见应用电信设备便携式数据输入设备计算机外围设备医疗设备测试设备商业机器航空电子设备工业控制
  • 点击次数: 1
    2026-04-02
    KARN-50+是Mini-Circuits的一款同轴负载电子元件。其工作频率最小0MHz,最大8000MHz,50Ω。具备的特性宽带覆盖,DC至8 GHz适用于9 GHz(回波损耗,9 GHz时典型值为20 dB坚固结构常见应用蜂窝通信卫星通信国防通信测试设置尺寸图
热门分类
关于我们

───  公众号二维码  ───

兆亿微波商城微信公众号

兆亿微波商城www.rfz1.com是一个家一站式电子元器件采购平台,致力于为广大客户提供高质量、高性能的电子元器件产品。产品覆盖功放器件、射频开关、滤波器、混频器、功分器、耦合器、衰减器、电源芯片、电路板及射频电缆等多个领域,平台主营业务涵盖电子元器件现货销售、BOM配单及提供产品配套资料等,为客户提供一站式供应链采购服务。 

  • 品质 • 正品行货 购物无忧
  • 低价 • 普惠实价 帮您省钱
  • 速达 • 专业配送 按时按需
Copyright ©2020 - 2021 兆亿微波科技有限公司
X
1

QQ设置

    1
3

SKYPE 设置

4

阿里旺旺设置

5

电话号码管理

电话 电话 电话
010-62975458
    1
6

二维码管理

    1
返回顶部
展开