HMC608LC4是一款高动态范围GaAs pHEMT MMIC中功率放大器,采用无铅SMT封装。放大器有两种工作模式:高增益模式(Vpd引脚对地短路);以及低增益模式(Vpd引脚左开)。下表显示了在高增益模式下工作的放大器的电气规格。工作频率为9.5至11.5 GHz,放大器在+5V电源电压下提供29.5 dB的增益、+27.5 dBm的饱和功率和23%的PAE。噪声系数为6dB,而输出IP3为+33dBm。射频输入/输出采用直流阻断,匹配50欧姆,便于使用。HMC608LC4消除了引线键合的需要,允许使用表面贴装制造技术。
特性
输出IP3:+33 dBm
饱和功率:+27.5 dBm@23%PAE
增益:29.5dB
电源:+5V@310 mA
50欧姆匹配输入/输出
符合RoHS标准的4x4mm SMT封装
典型应用
HMC608LC4非常适合:
点对点无线电
点对多点无线电
军事最终用途
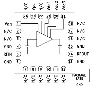
附图:功能图
