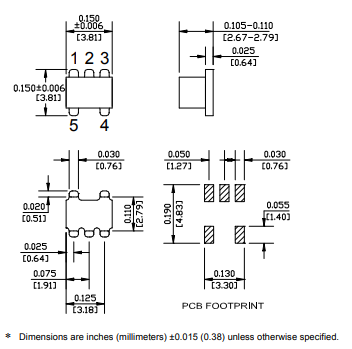
ETC1-1-13射频变压器的定义及实物封装引脚图
2026/4/20 13:58:20
浏览次数:
0
M/A-COM的ETC1-1-13是一款低成本、表面贴装封装的1:1射频传输线变压器。非常适合大容量蜂窝和无线应用。零件用胶带和卷轴包装。
具备的特性:
•1:1阻抗比
•表面安装
•提供胶带和卷筒包装
实物图

SM-22封装图


在线留言询价
推荐阅读
-
点击次数:
2
2026-04-20
ADF5355包含四个多频带VCO,它们共同覆盖一个倍频程频率范围。为了确保最佳性能,将低噪声调节器(如ADM7150)连接到VVCO引脚至关重要。将同一调节器连接到VVCO、VREGVCO和VP。对于3.3V电源引脚,使用ADM7150稳压器。芯片级封装的印刷电路板(PCB)设计指南32引线框架芯片级封装上的焊盘是矩形的。这些焊盘的PCB焊盘必须比封装焊盘长度长0.1毫米,比封装焊区宽度宽0.05毫米。将焊盘上的每个焊盘居中,以最大化焊点尺寸。芯片级封装的底部有一个中央暴露的热垫。PCB上的热焊盘必须至少与暴露的焊盘一样大。在PCB上,热焊盘和焊盘图案的内边缘之间必须有0.25毫米的最小间隙。此间隙可确保避免短路。为了提高封装的热性能,在PCB热焊盘上使用热通孔。如果使用过孔,请将它们以1.2mm的间距网格合并到热垫中。过孔直径必须在0.3mm和0.33mm之间,过孔筒必须镀上1盎司的铜以插入过孔。对于微波PLL和VCO合成器,如ADF5355,请注意电路板堆叠和布局。不要考虑使用FR4材料,因为它在3 GHz以上损耗太大。相反,Rogers 4350、Rogers 4003或Rogers 3003介电材料是合适的。注意射频输出迹线,以尽量减少不连续性,确保最佳信号完整性。过孔的放置和接地至关重要。
-
点击次数:
2
2026-04-20
LTC5542是覆盖600MHz至4GHz频率范围的高动态范围、高增益、无源下变频混频器系列的一部分。LTC5542针对1.6GHz至2.7GHz射频应用进行了优化。LO频率必须在1.7GHz至2.5GHz范围内,才能获得最佳性能。典型的应用是具有2.3GHz至2.7GHz RF输入和低端LO的LTE或WiMAX接收器。然而,LTC5542的设计工作电压为3.3V;对于最高P1dB,IF放大器可以由5V供电。具有快速切换功能的集成SPDT LO开关可接受两个有源LO信号,同时提供高隔离度。LTC5542的高转换增益和高动态范围使其能够在高选择性接收机设计中使用有损中频滤波器,同时最大限度地降低总解决方案成本、电路板空间和系统级变化。其具备的特性主要如下:转换增益:2.4GHz时为8dBIIP3:2.4GHz时为26.8dBm噪声系数:2.4GHz时为9.9dB+5dBm阻塞下17.3dB NF高输入P1dB3.3V电源,660mW功耗关机引脚50Ω单端射频和本振输入停机时LO输入50Ω匹配高隔离LO开关0dBm LO驱动电平高LO-RF和LO-IF隔离解决方案规模小
-
点击次数:
2
2026-04-20
LTC5542是覆盖600MHz至4GHz频率范围的高动态范围、高增益、无源下变频混频器系列的一部分。LTC5542针对1.6GHz至2.7GHz射频应用进行了优化。LO频率必须在1.7GHz至2.5GHz范围内,才能获得最佳性能。典型的应用是具有2.3GHz至2.7GHz RF输入和低端LO的LTE或WiMAX接收器。然而,LTC5542的设计工作电压为3.3V;对于最高P1dB,IF放大器可以由5V供电。具有快速切换功能的集成SPDT LO开关可接受两个有源LO信号,同时提供高隔离度。LTC5542的高转换增益和高动态范围使其能够在高选择性接收机设计中使用有损中频滤波器,同时最大限度地降低总解决方案成本、电路板空间和系统级变化。其具备的特性主要如下:转换增益:2.4GHz时为8dBIIP3:2.4GHz时为26.8dBm噪声系数:2.4GHz时为9.9dB+5dBm阻塞下17.3dB NF高输入P1dB3.3V电源,660mW功耗关机引脚50Ω单端射频和本振输入停机时LO输入50Ω匹配高隔离LO开关0dBm LO驱动电平高LO-RF和LO-IF隔离解决方案规模小
-
点击次数:
2
2026-04-20
ADIS16488A iSensor®设备是一个完整的惯性系统,包括三轴陀螺仪、三轴加速度计、三轴磁力计和压力传感器。ADIS16488A中的每个惯性传感器的iMEMS®技术与优化动态性能的信号调理相结合。工厂校准表征了每个传感器的灵敏度、偏差、对准和线性加速度(陀螺仪偏差)。因此,每个传感器都有自己的动态补偿公式,可以提供精确的传感器测量值。ADIS16488A提供了一种简单、经济高效的方法,用于将精确的多轴惯性传感集成到工业系统中,特别是与离散设计相关的复杂性和投资相比。所有必要的运动测试和校准都是工厂生产过程的一部分,大大缩短了系统集成时间。紧密的正交对准简化了导航系统中的惯性系对准。SPI和寄存器结构为数据收集和配置控制提供了一个简单的接口。ADIS16488A使用与ADIS16375、ADIS16480和ADIS16485相同的占地面积和连接器系统,大大简化了升级过程。ADIS16488A封装在一个约47毫米×44毫米×14毫米的模块中,并包括一个标准连接器接口。具备的特性如下:三轴数字陀螺仪,动态范围±450°/秒±0.05°正交对齐误差运行偏差稳定性为5.1°/hr0.26°/√hr角随机游走0.01%非线性三轴数字加速度计,±18 g三轴、三角角和三角速度输出三轴数字磁强计,±2.5高斯数字压力传感器,300毫巴至1100毫巴启动时间快,500ms工厂校准的灵敏度、偏差和轴向对齐校准温度范围:-40°C至+85°CSPI兼容串行接口嵌入式温度传感器可编程操作和控制自动和手动偏差校正控制4个FIR滤波器组,120个可配置抽头数字输入/输出:数据就绪报警指示灯、外部时钟状态监测报警电源管理的断电/睡眠模式可选外部采样时钟输入...
-
点击次数:
2
2026-04-20
布局指南:总的来说,布局指南与大多数其他PLL设备相似。以下是一些具体的指导方针。GND引脚可以在封装上布线回DAP。OSCin引脚内部偏置,必须进行交流耦合。如果不使用,RampClk、RampDir和SysRefReq可以接地到DAP。对于Vtune引脚,尝试将环路滤波电容器放置在尽可能靠近引脚的位置。这可能意味着将电容器与环路滤波器的其余部分分开。对于输出,将上拉组件尽可能靠近引脚,并在差分对的每一侧使用相同的组件。如果需要单端输出,另一端必须具有相同的负载和上拉。然而,通过将互补侧通过通孔布线到板的另一侧,可以优化使用侧的布线。在这一侧,使用相同的拉起,使负载看起来与所使用的一侧相等。确保设备上的DAP通过许多通孔良好接地,最好是铜填充。有一个与LMX2594暴露垫一样大的隔热垫。在热垫上添加通孔,以最大限度地提高热性能。使用低损耗介电材料,如Rogers 4003,以获得最佳输出功率。