MAAL-011130是一款易于使用的宽带低噪声放大器,在2至18 GHz范围内具有19 dB的典型增益。输入和输出完全匹配到50Ω,典型回波损耗>10dB。三阶线性度(OIP3)通常为23dBm,反向隔离度>35dB。
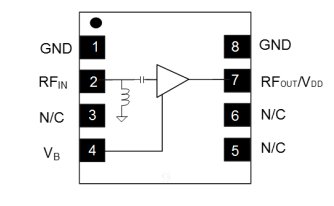
使用引脚4和VDD之间的外部电阻器RB实现单电压(VDD从+3.3V到+5V)操作。RB的值将设置漏极电流。或者,向引脚4施加偏置电压(VB)允许将漏极电流从5mA调节到80mA,并通过施加VB<0.2V来提供断电能力。MAAL-011130采用无铅2毫米8引脚PDFN封装,与标准拾取和放置组装设备兼容。
MAAL-011130非常适合多种应用,如X波段卫星通信接收机和宽带A&D系统。
具备的特性
增益:21 dB@10 GHz
噪声系数:1.4 dB@10 GHz
输出P1dB:14dBm
单电压偏置:3.3V至5V
断电能力
无铅2毫米8导联PDFN封装
无卤素“绿色”模塑料
符合RoHS标准
