MAAP-011341是一款1/2 W Ka波段功率放大器。PA具有27dBm的典型P1dB和28dBm的典型P3dB,增益为28dB。漏极偏压电源为5.5V。调整栅极电压以将漏极电流设置为450mA。
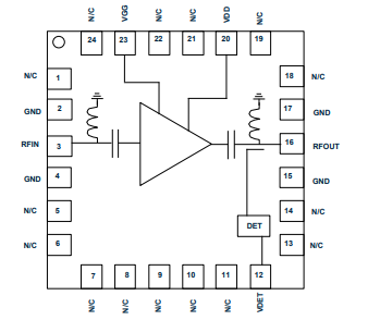
MAAP-011341专为27-31.5 GHz频段的中等功率应用而设计。4毫米24导联AQFN封装无铅,符合RoHS标准。
具备的特性
•28 dB增益
•36 dBm输出IP3
•27 dBm P1dB
•28 dBm P3dB
•5.5 V排水电源
•4毫米24导联AQFN封装
•符合RoHS标准
