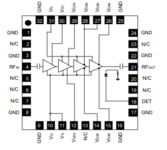
MAAP-011313是一款4 W、4级功率放大器,采用无铅5 mm 32引脚空气腔QFN塑料封装。该功率放大器的工作频率为13.5至15 GHz,提供35 dB的线性增益、4 W的饱和输出功率和28%的效率,同时偏置在6 V。
MAAP-011313可用作功率放大器级或更高功率应用中的驱动器级。该设备非常适合线性Ku波段VSAT通信。
该产品采用GaAs pHEMT工艺制造,该工艺具有完全钝化的特点,可提高可靠性。
具备的特性:
•高增益:36 dB
•P1dB:34.5 dBm
•P3dB:36.0 dBm
•IM3电平:-28 dBc@POUT=28 dBm/音
•功率附加效率:28%@P3dB
•温度补偿输出功率检测器
•无铅5mm AQFN 32引脚封装
•符合RoHS标准
