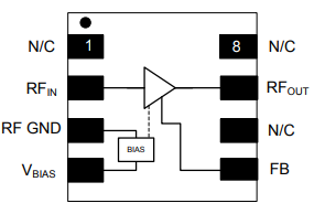
MAAL-010706是一款高动态范围单级MMIC LNA,具有出色的线性度和低噪声系数,设计用于1.4至4.0 GHz的工作频率。LNA采用符合RoHS标准的2毫米8引脚PDFN无引脚封装。
该MMIC具有集成的有源偏置电路,允许直接连接到+3V电源,并最大限度地减少温度和工艺的变化。偏置电流和增益可以用外部电阻器设置,以允许用户自定义电流和增益值以适应应用。
MAAL-010706的噪声系数小于0.7 dB,OIP3大于34 dBm,输入回波损耗为20 dB。出色的输入匹配、低噪声系数和高OIP3,以及设置电流和增益的灵活性,使这款LNA成为3G和4G蜂窝基础设施应用的理想选择。
为了在1.4 GHz以下获得最佳性能,建议使用MAAL-010705。MAAL-010706和MAAL-010705共享封装类型和占地面积。
具备的特性:
低噪声系数
出色的输入回波损耗
单电压偏置3V
集成有源偏置电路
电流可调20-80mA,带外部电阻器
高线性,OIP3>34 dBm
小包装:2毫米PDFN-8LD
符合RoHS*标准,兼容260°C回流
