Qorvo的QPA2597是一款采用经过验证的GaN on SiC技术的封装驱动放大器。QPA2597的工作频率为2.0至6.0GHz,提供32 dBm的输出,24 dB的小信号增益和37%的功率附加效率。

QPA2597采用GaN MMIC技术和塑料封装,提供了一种低成本的驱动器解决方案,可以在与相应的GaN HPA相同的电压轨上运行。它也可以作为低功耗架构中的输出功率放大器。
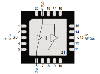
QPA2597采用4x4 mm塑料包覆成型QFN。它内部匹配50欧姆,在两个射频端口上都包括集成的直流阻断帽,可以实现简单的系统集成。
具备的特性
•频率范围:2 – 6 GHz
•小信号增益:24 dB
•功率:32 dBm
•市盈率:37%
•IM3:-23 dBc
•偏压:VD=25 V,IDQ=50 mA
•包装尺寸:4.0 x 4.0 x 0.85毫米
应用
•商用和军用雷达
•通讯
•电子战(EW)
