德州仪器LM2675系列稳压器是采用LDMOS工艺构建的单片集成DC-DC转换器电路。这些调节器为降压(降压)开关调节器提供了所有主动功能,能够以出色的线路和负载调节驱动1-a负载电流。这些设备有3.3V、5V、12V的固定输出电压和可调输出版本。
这些稳压器需要最少数量的外部组件,使用简单,包括专利的内部频率补偿和固定频率振荡器。
LM2675系列的开关频率为260 kHz,因此允许使用比低频开关稳压器更小的滤波器组件。由于其非常高的效率(>90%),印刷电路板上的铜迹线是唯一需要的散热装置。
具备的特性如下:
•效率高达96%
•提供8引脚SOIC、PDIP和16引脚WSON封装
•只需要5个外部组件
•3.3V、5V、12V和可调输出版本
•可调版本输出电压范围:1.21 V至37 V
•在线路和负载条件下,最大输出电压容差为±1.5%
•确保1-A输出负载电流
•宽输入电压范围:8 V至40 V
•260 kHz固定频率内部振荡器
•TTL关机功能,低功耗待机模式
•热关断和电流限制保护
应用:
•简单高效(>90%)降压(降压)调节器
•线性调节器的高效预调节器
•正负转换器

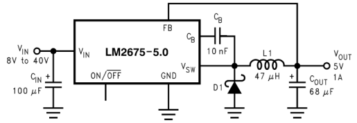
典型应用图