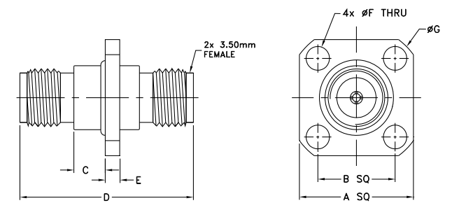
Mini Circuits的35FFL-35F50+是一款同轴3.5mm-F到3.5mm-F适配器,支持从DC到33 GHz的广泛应用。该模型提供了优异的VSWR、低插入损耗和平坦的频率响应。内置法兰便于通过设备外壳面板进行连接,无需额外的支架或隔板适配器。该装置采用坚固、钝化的不锈钢结构,箱体尺寸为0.76英寸(长)x 0.34英寸(直径),法兰面积为0.5 x 0.5英寸。


特点
超宽带,直流至33 GHz
平坦响应
低插入损耗,0.13 dB
出色的VSWR,1.08:1
用于直接安装在设备外壳面板上的内置法兰