半波、全波和桥式整流电路是常见的电子电路,用于将交流电转换为直流电。它们在工作原理、效率和应用领域上有一些明显的区别。
半波整流电路只利用交流信号的正半周或负半周,将其转换为直流信号。而全波整流电路则利用了交流信号的完整波形,通过两个整流二极管来实现将所有的正负半周都转换为直流信号。桥式整流电路则更为复杂,利用了四个整流二极管来实现将交流信号转换为直流信号。

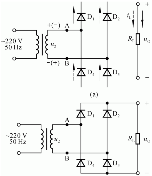
单相桥式整流电路
从效率上来看,全波整流电路的效率要高于半波整流电路,因为全波整流可以充分利用交流信号的全部功率。而桥式整流电路的效率则介于半波和全波之间,因为它需要更多的元件来实现整流。
不同类型的整流电路在应用领域上也有所不同。半波整流电路通常用于低功率的应用中,例如手机充电器;全波整流电路适用于中等功率的应用,如电源适配器;而桥式整流电路则适用于高功率的应用,如变频器。
总的来说,半波、全波和桥式整流电路在工作原理、效率和应用领域上有各自的特点,选择合适的整流电路取决于具体的需求和应用场景。