ADuM5000是一款基于ADI公司iCoupler®技术的隔离式DC/DC转换器。该DC/DC转换器可提供多种输入/输出电压组合的稳压隔离功率,如表1所列。
ADI公司芯片级变压器iCoupler技术使这款DC/DC转换器的隔离功率传输效率最高可达33%。因此可提供小尺寸、完全隔离的解决方案。
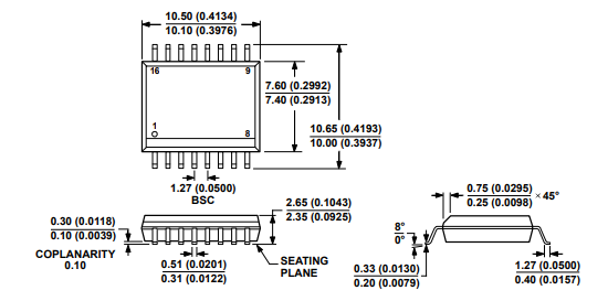
外观尺寸

特性
•集成isoPower®的隔离式DC/DC转换器
3.3V或5V调节输出
•最高500mW输出功率
•16引脚SOIC封装,爬电距离大于8mm
•工作温度最高可达:105°C(最大值)
•高共模瞬变抗扰度:>25kV/μs
•热过载保护
•安全和法规认证
UL认证
1分钟2500Vrms,符合UL1577标准
•CSA元件验收
通知#5A(申请中)
•VDE合格证书(正在审批)
DINVVDEV0884-10
(VDEV0884-10):2006-12
VIORM=560V峰值
应用
RS-232/RS-422/RS-485收发器
工业现场总线隔离
电源启动和门驱动器
隔离传感器接口
工业PLC
引脚图

