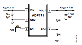
ADP171是一款输出电压可调的稳压器,通过设置一个外接分压器即可实现0.8V至3.0V范围内的任意输出电压。采用5引脚的TSOT封装,外形尺寸较小,可满足各类便携式电源应用。
ADP171是一款低电压输入、低静态电流和低压差(LDO)的线性稳压器,工作电压范围为1.6V至3.6V,能够提供高达300mA的输出电流。在300mA的负载时,压差仅有55mV,改善了效率,并支持宽范围的输入电压。在空载时,静态电流低至23μA,使得ADP171成为电池供电的便携式设备的理想选择。
ADP171的稳定性经过专门的优化,只需采用小型的1μF陶瓷输出电容。该器件特别适用于为数字处理器供电。ADP171具有良好的瞬态性能,只占用极小的电路板空间。与一般的商用LDO相比,ADP171可提供更好的电源抑制比(100kHz条件下高达20-40dB),使得它们成为ADC以及混合信号处理器的理想电源选择,工程师可以使用小型的旁路电容器。
此外,该系列器件具有优异的输出噪声性能,无需采用额外的旁路电容,因而进一步减少了PCB上的元器件数量。
具备的特性
• 最大输出电流:300mA
• 输入电压范围:1.6V -3.6V
• 低静态电流
空载时,IGND = 23 μA
300mA负载时,IGND = 170 μA
• 低关断电流:<1μA
• 低压差:300mA负载下为55mV
• 输出电压精度:±1%
常见应用
移动电话
数码相机和音频设备
便携式和电池供电设备
DSP/FGA/微处理器电源
直流后直流调节
ADP171典型应用电路

ADP171引脚配置
