Mini-Circuits新型定向耦合器DCW-9-432+提供了的工作带宽和尺寸组合。低插入损耗使该组件成为各种系统和子系统设计中使用的通用构建块。采用JC0603C封装尺寸,提供的尺寸、带宽和频率组合。占地面积小,可以降低系统中的寄生效应,提高性能并简化布局。

DCW-9-432+的LTCC结构能够工作高达2W,使这种定向耦合器成为一种坚固耐用的产品,可以在发射或接收路径中有效使用。
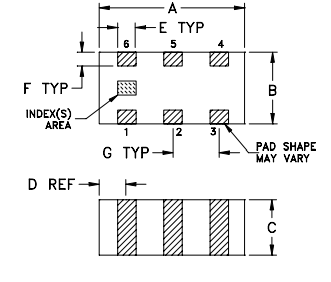
外形图及尺寸


电气原理图

特征
•微型尺寸0603
•成本低
•可水洗
应用
•ISM频段
•蜂窝
•蓝牙
•Zigbee