Mini-Circuits的ZEQ-2-24K+是一种宽带连接负斜率均衡器,典型斜率为2.4 dB。在DC到20GHz的范围内。该模型是双向的,在趋肤深度(正增益斜率)导致的频率相关损耗阻碍整体系统性能的应用中提供了出色的电气性能。小尺寸型号配有互补连接器,可避免使用任何额外的适配器,并在-55*C至+105*C的宽温度范围内运行。

产品特点
•典型值为2.4 dB的负斜率。(其他可用坡度值)
•宽带操作,DC–20 GHz
•最小斜率变化,+/-0.4 dB典型值
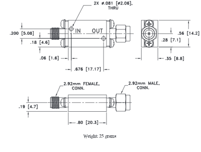
•小外形尺寸0.80“x 0.56”
典型应用
•放大器增益斜率补偿
•电缆损耗补偿
简化示意图

外形图及尺寸
