Mini-Circuits MTX2-183+是一款宽带MMIC平衡-不平衡变压器,阻抗比为1:2,适用于2至18 GHz的广泛应用。采用GaAs工艺技术制造。MMIC具有出色的可重复性,具有低插入损耗、低幅度不平衡、低相位不平衡和出色的共模抑制能力。

产品特点
宽带,2至18 GHz
典型低插入损耗。2.0分贝
典型的相位不平衡良好。2度
典型的出色振幅不平衡。0.3分贝
单端到差分转换
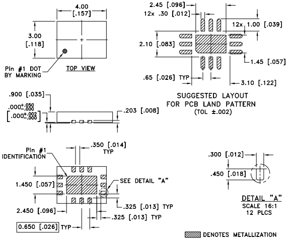
3x4 mm 12引线QFN型封装
典型应用
5G MIMO和回程无线电系统
测试和测量设备
雷达、电子战和电子对抗防御系统
信号分配网络
MTX2-183+功能图


案例风格图
