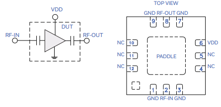
PMA3-223GLN+是一款基于PHEMT的宽带低噪声MMIC放大器,在非常宽的板带宽上具有高增益和低噪声系数的独特组合,非常适合用作接收器应用的第一级驱动放大器。该设计在单个4V电源上运行,与50Ohm匹配,采用微型塑料封装(3 x 3 x 0.89mm),可容纳密集的电路板布局。

特性
宽带,10至22 GHz
高增益,典型值27.9 dB。频率为15 GHz
低NF,典型值1.8 dB。频率为15 GHz
P1dB,典型值为10dBm。20 GHz
OIP3,典型值22.1 dBm。频率为15 GHz
内置偏置三通和直流块
应用
5G
太空研究
手机
简化原理图和焊盘描述


推荐应用和特性测试电路

