Mini-CircuitsEP2C+是一款MMIC分路器/合路器,设计用于1800至12500MHz的宽带工作。该型号在微型设备封装(4x4x1mm)中提供了出色的额定功率,具有高达1.85W的功率处理(作为分流器)和高达0.4A的直流电流处理。它采用GaAsIPD技术制造,提供高水平的ESD保护和出色的可靠性。
特性
•宽带,1800至12500MHz
•出色的振幅不平衡,典型值为0.2dB。
•相位不平衡良好,典型值为6度。
•尺寸小,4x4毫米
•高ESD水平*
•可水洗
•直流通电
应用
•WIMAX
•ISM
•仪器仪表
•雷达
•无线局域网
•卫星通信
•LTE
外观尺寸图


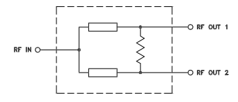
简化电气原理图

点击购买:EP2C+