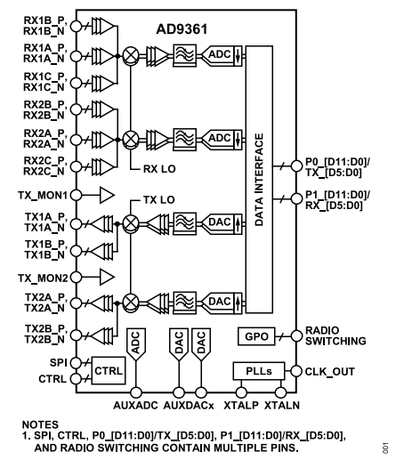
AD9361是一款面向3G和4G基站应用的高性能、高集成度的射频(RF)Agile Transceiver™捷变收发器。该器件的可编程性和宽带能力使其成为多种收发器应用的理想选择。该器件集RF前端与灵活的混合信号基带部分为一体,集成频率合成器,为处理器提供可配置数字接口,从而简化设计导入。AD9361接收器LO工作频率范围为70 MHz至6.0 GHz,发射器LO工作频率范围为47 MHz至6.0 GHz,涵盖大部分特许执照和免执照频段,支持的通道带宽范围为200 kHz以下至56 MHz。

两个独立的直接变频接收器拥有首屈一指的噪声系数和线性度。每个接收(RX)子系统都拥有独立的自动增益控制(AGC)、直流失调校正、正交校正和数字滤波功能,从而消除了在数字基带中提供这些功能的必要性。The AD9361还拥有灵活的手动增益模式,支持外部控制。每个通道搭载两个高动态范围模数转换器(ADC),先将收到的I信号和Q信号进行数字化处理,然后将其传过可配置抽取滤波器和128抽头有限脉冲响应(FIR)滤波器,结果以相应的采样率生成12位输出信号。
发射器采用直接变频架构,可实现较高的调制精度和超低的噪声。这种发射器设计带来了行业较佳的TX误差矢量幅度(EVM),数值不到−40 dB,可为外部功率放大器(PA)的选择留出可观的系统裕量。板载发射(TX)功率监控器可以用作功率检测器,从而实现高度精确的TX功率测量。
特性
• 集成12位DAC和ADC的RF 2 × 2收发器
• TX频段:47 MHz至6.0 GHz
• RX频段:70 MHz至6.0 GHz
• 支持TDD和FDD操作
• 可调谐通道带宽:
• 实时监控和控制信号用于手动增益
• 独立的自动增益控制
• 双发射器:4路差分输出
• 高线性度宽带发射器
• TX EVM:≤−40 dB
• TX噪声:≤−157 dBm/Hz本底噪声
• TX监控器:动态范围≥66 dB,精度=1 dB
• 集成式小数N分频频率合成器
• 2.4 Hz最大本振(LO)步长
• 多器件同步
• CMOS/LVDS数字接口
应用
• 点对点通信系统
• 毫微微蜂窝/微微蜂窝/微蜂窝基站
• 通用无线电系统
功能框图

引脚图

点击购买:AD9361BBCZ