HMC565LC5是一款高动态范围GaAs PHEMT MMIC低噪声放大器,采用符合RoHS标准的无引脚5x5mm SMT封装。 HMC565LC5工作频率范围为6至20 GHz,在整个工作频段内具有21 dB小信号增益、2.5 dB噪声系数和+20 dBm输出IP3。 由于采用+3V电源供电和隔直RF I/O,该自偏置LNA非常适合微波无线电应用。
特性
• 噪声系数: 2.5 dB
• 增益: 21 dB
• OIP3: 20 dBm
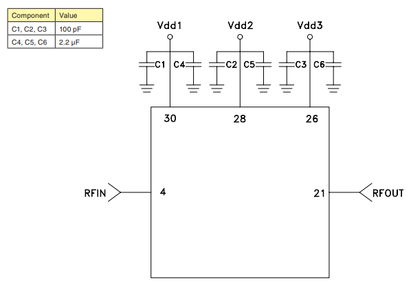
• 单电源: +3V (53 mA)
• 50 Ω匹配输入/输出
• 符合RoHS标准的5x5 mm封装
常见应用
HMC565LC5非常适合用作LNA或驱动放大器,用于:
•点对点无线电
•点对多点无线电和甚小孔径终端
•测试设备和传感器
•军事与航天
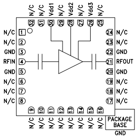
外形尺寸图


应用电路

功能图

点击购买:HMC565LC5