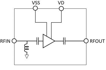
Qorvo的QPA0001是基于Qorvo 0.15 um QGaN15 SiC工艺制造的封装驱动放大器。QPA0001的工作频率为8.5至10.5 GHz,可提供2 W饱和输出功率、50%的功率附加效率和27 dB的大信号增益。QPA0001采用主动偏置控制,为客户提供偏置点稳定性,同时降低系统复杂性。QPA0001提供4x3 mm模具封装QFN。凭借紧凑的尺寸,它可以支持相控阵雷达应用的紧密晶格间距要求。

特性
•频率范围:8.5-10.5 GHz
•功率:33 dBm
•市盈率:50%
•大信号功率增益(PIN=6 dBm):27 dB
•小信号增益:33 dB
•主动偏置控制:典型值VD=16 V,Vss=-3 V,IDQ=55 mA
•包装尺寸:4 x 3 x 0.65毫米
应用
•雷达
•电子战
•通讯
功能框图

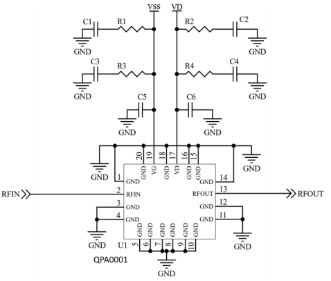
应用电路

引脚配置和说明



点击购买:QPA0001