ADR1001是一款亚德诺完全集成、超低漂移、埋入式齐纳精密电压基准解决方案。通过将LTZ1000所需的整个信号调理电路集成到一个芯片中,ADR1001大大减少了整个解决方案的面积,同时通过消除构建离散电路解决方案的许多挑战简化了设计过程。片上加热器与ADI公司的Zenertechnology技术相结合,使ADR1001能够实现亚ppm温度系数性能和单位数ppm长期漂移性能。

除了在所有矢量中提供一流的精度外,ADR1001还结合了易用性特征,以降低成本和设计工作量。这些功能包括引脚可编程内部稳压器、电阻器可编程加热器电流限制、开路集电极电源良好标志引脚、密封表面安装封装和额外匹配的电阻器对。
默认情况下,当没有外部电阻器连接到TSET引脚时,温度设定点为70°C,当HTR_ILIM与HTR_GND短路时,内部加热器电流限制为100mA。
集成薄膜电阻器和片上缓冲器可用于提供与现代精密转换器兼容的标准输出电压参考值。ADR1001分频网络和输出缓冲器组合的初始精度在±0.25%以内。此外,芯片上还包含一对匹配的电阻器,使客户能够轻松生成负电压参考或2的增益,对输出精度或漂移的影响最小。
ADR1001封装在密封的陶瓷20端子无引线芯片载体(LCC)中。表面贴装陶瓷封装允许客户省去通孔元件的焊接步骤,同时仍保持经典通孔金属罐封装的密封性。
特性
LTZ1000级,超稳定,6.6V,埋地齐纳基准
片上热调节匹配电阻分压器
精度5V输出±0.25%(RISET=102Ω,TJ=70°C)
5 V输出噪声(0.1 Hz至10 Hz):0.13 ppm p-p
芯片上提供齐纳二极管、热回路运算放大器和缓冲器
输入电压范围:9V至36V
Ovenization确保超低温度漂移
应用
校准设备
台式数字万用表
自动测试设备(ATE)
精密数据采集系统(DAS)
固定式高精度测量装置
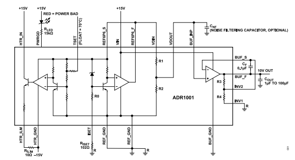
功能框图

引脚配置和功能描述

