LFPAK33中的N沟道100 V 36.6 mΩ标准电平MOSFET专为高功率PoE应用而设计。新的标准和专有方法使以太网供电(PoE)系统能够向每个受电设备(PD)提供高达90W的功率。这些解决方案在“软启动”、热管理和功率密度要求方面对电源设备(PSE)提出了更高的要求。

特性
•增强的正向偏置安全操作区域,实现卓越的线性模式操作
•低Rdson,低传导损耗
•超可靠的LFPAK33封装,具有卓越的耐热性和坚固性
•IDSS非常低
应用
•大功率PoE应用(60W及以上)
•IEEE802.3at和专有解决方案
引脚信息

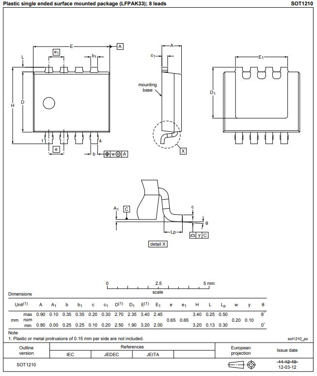
封装外形
