MAAV-01017是一款带模拟控制的宽带电压可变衰减器。它采用无铅3毫米16 PQFN封装组装。该设备非常适合在需要高精度、极低功耗和低互调产物的地方使用。
VMODE是一个控制引脚,用于选择衰减与控制电压曲线的正斜率或负斜率。当VMoDE较高时,曲线呈正斜率。当VMODE较低时,存在负斜率。
该部件在直流电下运行,但功率处理在50 MHz以下会降低。如果电源和负载具有接地直流连接,则不需要射频引脚上的直流块。
特征
•模拟控制
•衰减范围:32 dB
•输入IP3:52 dBm
•输入IP2:80 dBm
•电源电压:3.15至5.25 V
•工作温度:-40至+120°C
•低直流功耗
•无铅3毫米16导联封装
•符合RoHS标准
应用
•微波收音机
•蜂窝5G基础设施
•WiFi、WiMax、LTE
•高线性功率控制
功能示意图

PCB布局


应用示意图

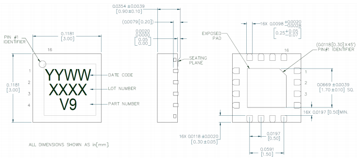
外观尺寸图
