MAAM-009560射频驱动放大器是一种GaAs MMIC,在>20 dB的动态范围内表现出卓越的线性性能,并在无铅微型SOT-89表面贴装塑料封装中具有高增益。该器件由单个+5伏电源偏置,通常消耗225毫安。MAAM-009560采用HBT工艺制造,以实现低电流和高线性。该工艺具有完全钝化的特点,可提高性能和可靠性。

特性
·在20 dB输入功率范围内,输出截获点为+42 dBm
·2级ESD等级
·符合RoHS标准
·无卤素“绿色”模塑料
·无铅SOT-89封装
·宽带运营
·260°C回流兼容
应用
·ISM
·无线网络和通信
功能示意图


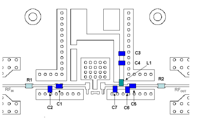
2140 MHz PCB布局

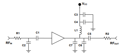
2140示意图

