MAAD-011045是一款宽带6位、0.5dB步进MMIC数字衰减器,采用无铅3mm、20引脚表面贴装塑料封装。相位在所有衰减状态下都是一致的。该设备非常适合在需要高精度、极低功耗和低互调产物的地方使用。
该衰减器由SPI兼容串行接口或6位并行字控制。SEROUT是延迟6个时钟周期的SERIN,可用于菊花链操作。

特性
•6位,0.5 dB LSB,31.5 dB范围
•所有衰减状态下的相位一致
•集成CMOS/TTL兼容驱动器
•兼容1.8 V、2.5 V、3.3 V、5.0 V CMOS和5.0 V TTL逻辑输入
•并行或串行(P/S)控制
•低直流功耗
•衰减精度:+/-(衰减设置的0.3+4%)dB
•无铅3毫米20导联封装
•符合RoHS标准
应用程序
•ISM
•多市场
功能示意图


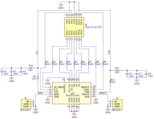
评估板布局

应用示意图

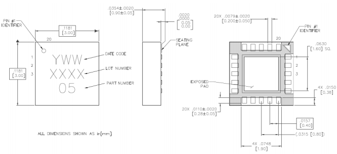
MAAD-011045外观尺寸图

点击购买:MAAD-011045