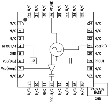
HMC534LP5(E)是一款GaAs InGaP异质结双极性晶体管(HBT) MMIC VCO。 HMC534LP5(E)集成了谐振器、负电阻器件和变容二极管,可输出半频,并提供4分频输出。 由于振荡器的单芯片结构,VCO的相位噪声性能在温度、冲击和工艺条件下均非常出色。 采用+5V电源电压时,输出功率为+11 dBm(典型值)。 如果不需要,可以禁用预分频器和RF/2功能以节省电流。 该电压控制振荡器采用无引脚QFN 5x5 mm表贴封装,无需外部匹配元件。
特性
• 双通道输出:Fo = 10.6 - 11.8 GHz
Fo/2 = 5.3 - 5.9 GHz
• Pout:+11 dBm
• 相位噪声:-110 dBc/Hz(100 kHz时,典型值)
• 无需外部谐振器
• QFN无引脚SMT封装,25 mm²
常见应用
低噪声MMIC VCO,带半频,4分频输出,适用于:
•点对点/多点无线电
•测试设备和工业控制
•卫星通信
•军事最终用途
功能图

外观尺寸图

点击购买:HMC534LP5E