Qorvo的QPF4518是为Wi-Fi 802.11a/n/ac系统设计的集成前端模块(FEM)。紧凑的外形和集成匹配最大限度地减少了应用程序中的布局面积。
性能侧重于优化5V电源电压的PA,在保持最高线性输出功率和前沿吞吐量的同时节省功耗。

接收路径被固定,因此可以在最佳位置添加外部滤波。包括用于二次和三次谐波的集成管芯级滤波以及用于DBDC操作的2.4 GHz抑制。
功率检测有两种选择,一种是具有电压输出的直流功率检测器,另一种是来自定向耦合器的RF功率检测器。
QPF4518将5 GHz功率放大器(PA)、单极双掷开关(SP2T)和可旁路低噪声放大器(LNA)集成到一个设备中
特性
•5150–5925兆赫
•POUT=+23dBmMCS9 VHT80-35dB动态EVM
•POUT=+24.5dBm MCS7 HT20/40-30dB动态EVM
•POUT=+25dBm MCS0 HT20频谱掩模合规性
•160MHz带宽和MCS11功能
•针对+5 V操作进行了优化
•32 dB Tx增益
•2 dB噪声系数
•16 dB Rx增益和6.5 dB旁路损耗
•Rx路径上的25 dB 2.4 GHz抑制
•集成射频功率检测器耦合器和直流功率检测器
应用
•接入点
•无线路由器
•住宅网关
•客户驻地设备
•物联网
引脚配置和说明


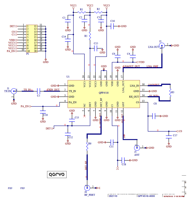
评估板示意图和布局

